LIANDE連的,本公司專業生產,TD系列多種型號組合型接線端子。
接線端子板就是用于完成電氣連接的一種配件產品,工業上劃分為連接器的范圍。隨著工業自動化程度越來越高和工業控制要求越來越嚴厲、準確,接線端子的用量逐步上漲。隨著電子行業的發展,接線端子板的使用范圍越來越多,并且種類也越來越多。端子板是用于電氣連接的電子元件。
適用于交流50Hz(或60Hz),額定電壓至660V、額定連接截面至25mm的導線間作連接之用。
本系列接線座采用螺釘壓接連接邊,導線端頭須壓接TU型或TO型端頭后才能與接線端子連接。接線座均有防護罩,采用C型安裝軌安裝。
端子線可以任意選擇導線數目及間距,使聯線更方便,大大減少電子產品的體積,減少生產成本,提高生產效率,適合于移動部件與主板之間、PCB板對PCB板之間、小型化電器設備中作數據傳輸線纜之用。
本公司可以定制印字標記條。
技術參數:

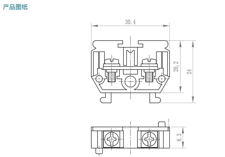
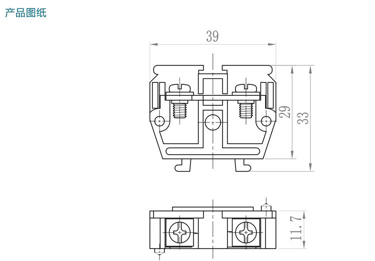
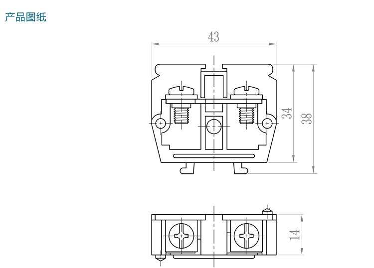
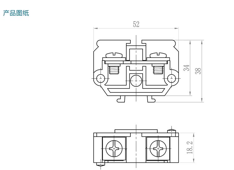
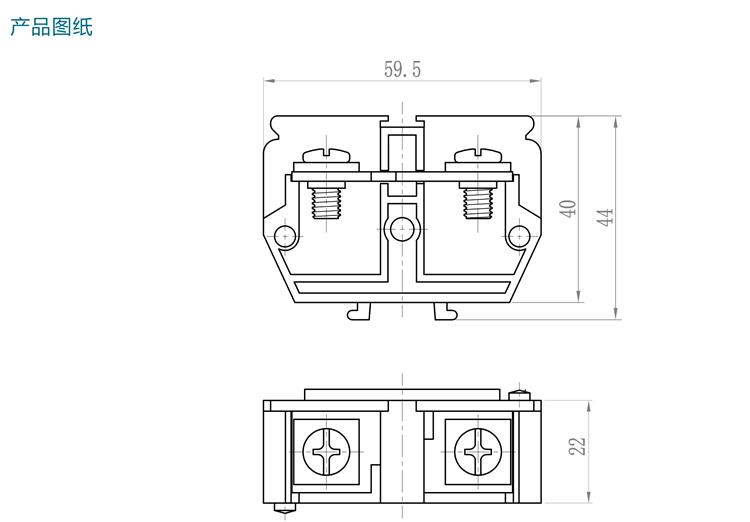
產品圖紙:
組合型接線端子TD-15A

組合型接線端子TD-20A

組合型接線端子TD-30A

組合型接線端子TD-60A

組合型接線端子TD-100A









